Product Center

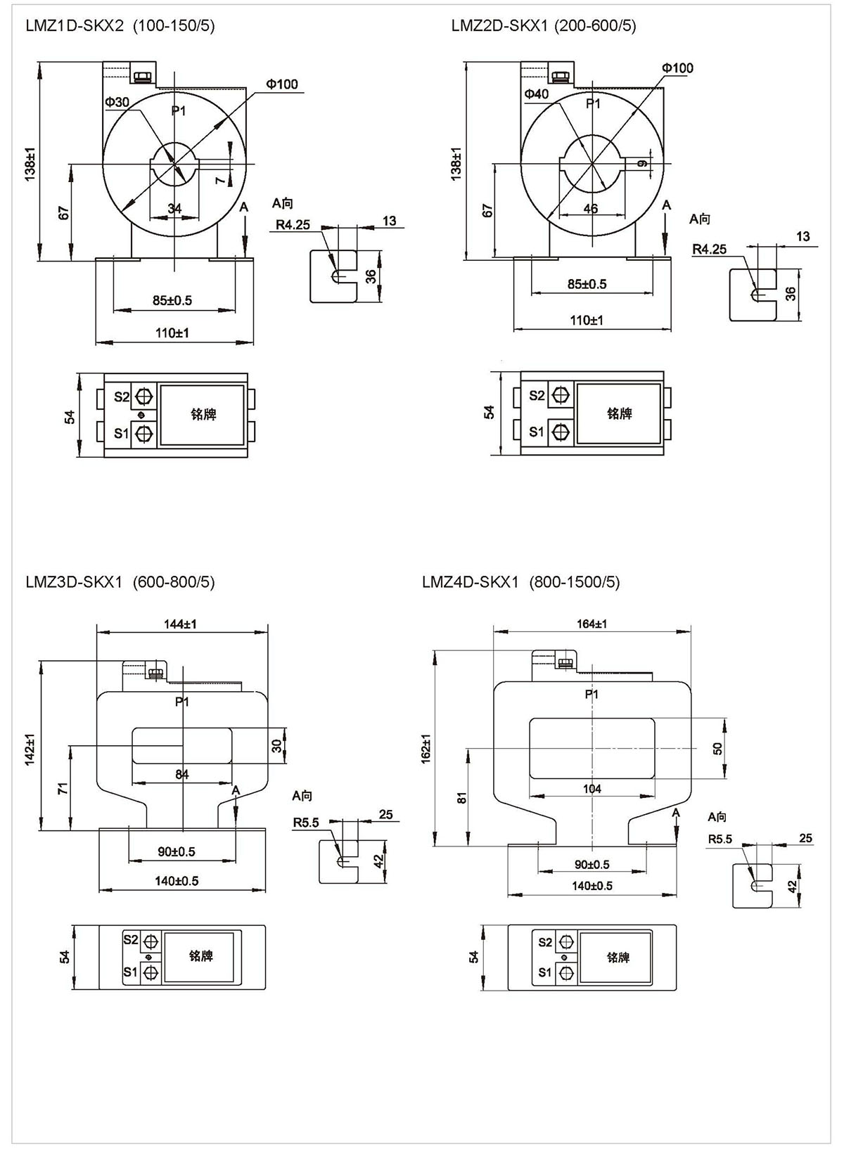
LMZ1(2、3、4)D Current Transformer

LMZ1(2、3、4)D Current Transformer

If you have any questions, please contact us!

Email

tasernb@163.com
Email